![]() |
Csiszoló
és köszörűkövek
|
Carbohun
Gépipari és Csiszolóáru Kereskedelmi Kft.
|
Kerámia csiszolókövek:
Gyantás csiszoló

|
MEGNEVEZÉS
|
ALAKJEL
|
STANDARD
|
MÉRETEK
|
ÁBRA
|
| Sima sciszolókerék | 1 | 601 | D x H x d | ![]() |
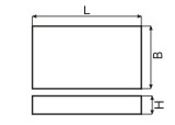
| Négyszög alakú kövek | 31 SegA | SR 3639 | B x L x H | ![]() |
| Trapéz alakú kövek | 31 SegB | B1 x B2 x L x H | ![]() |
|
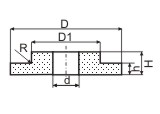
| Fazékkő | 11 | 605 | D / D1 x H x d / b x h | ![]() |
| Kétoldalon hornyolt kerék | 7 | 601 | D x H x d/d1 x h1 | ![]() |
| Egyoldalon hornyolt kerék | SR 601-3 | D x H x d/d1 x H1 | ![]() |
|
| Lépcsős kő | 38CR | SF-102 | D x H x d/D1 x h | ![]() |
| Szimmetrikusan elkeskenyedő | 4 | 603 | D x H x d/D1 x h | ![]() |
| Korongkő | 604 | 12A | D x d1/d2 x H/h x d x b x s | ![]() |
| Négyzetes kézi reszelő | 90PMB | 7284 | L x a x b | ![]() |
|
Kézi reszelő nyéllel
|
90PMU
|
-
|
L x d
|
![]() |
|
Kaszakövek
|
90PMO
|
7284
|
L x b x b1 x h
|
![]() |
| Négyzetes rúd | PMA |
L x B x C B = C |
![]() |
carbohun, gépipar, csiszoló, köszörű, kövek, csiszológép, élesít, fenőkő, fenőidom